Космонавтика  Термоэлектрические преобразователи 

1 2 3 4 5 6 7 8 9 10 11 12 13 14 15 16 17 18 19 20 21 22 23 [ 24 ] 25 26 27 28 29 30 31 32 33 34 35 36 37 38 39 40 41 42 43 44 45 46 47 48 49 50 51 52 53 54 55 56 57 58 59 60 61 62 63 64 65 66 67

ш уп

Ш а)

-ггов

-гчв

шг УО

Ш1 УО

ш г

-ггов

Ш УП

1 IS

-ггов

ш А.

-6,3В

ггов

шг УО

tnt УО

~63В

~16В

Рис. 41. Схемы соединения блоков в усилителе: I; а - для У1-01; У1М-01; У2-02; У2М-02; У2-01; У2М-01; У1-02; У1М-02; б - дляУЗ-01; УЗМ-01.

II; усипитель оконечный и трансформатор для У2-03; У2М-03: А - цепь; Б -\ контакт; В - вход; Г - экран; Д - управление; Е - выход; Ж - общий; И - успокоение; К - средняя точка; ~ 6,3 В, ~ 24 В - питание измерительной цепи

Сигнал на выходе э2 находится в фазе с входным сигналом. Инвертирующий вход э2 используется для введения с выхода сигнала отрицательной обратной связи. Глубина отрицательной обратной связи устанавливается соотношением величин резисторов r2 - r4. Усиление каскада меняется за счет изменения глубины обратной связи с помощью



цепь

Вход

вход

Зкрон


Рис. 42. Принципиальная схема предварительного усилителя для У1-01



переменного резистора R4. Для предотвращения возбуждения каскада на высоких частотах используются конденсатор С1 и цепь R1, С2. Для подавления второй гармоники, возникающей на входной цепи блока, или квадратурной составляющей усиливаемого сигнала служит прерьша-тель избирательной отрицательной обратной связи ЭЗ, включенный в цепь отрицательной обратной связи Э2.

Принцип действия прерывателя основан на том, что отрицательная обратная связь каскада, осуществляемая по цепи прерывателя, не влияет на степень усиления сигнала, имеющего такой же фазовый сдвиг, что и напряжение, управляющее цепью коммутации прерывателя.

Питание модулятора Э1 и прерывателя ЭЗ осуществляется от модулирующего трансформатора Т1. Для качественной работы модулятора в прерывателя управляющее напряжение должно иметь прямоугольную форму, что достигается с помощью цепи, состоящей из диодов VD1 и VD2 и ограничительного резистора R5.

с выхода первого каскада усиливаемый сигнал поступает через разделительный конденсатор СЗ на вход второго каскада усиления Э5. Во втором каскаде к цепи отрицательной обратной связи может быть подключен внешний резистор для дистанционного изменения усиления всего усилителя. В эту цепь может быть подано также управляющее напряжение. Питание обоих каскадов усилителя осуществляется стабилизированным напряжением ( ± 6,8 В).

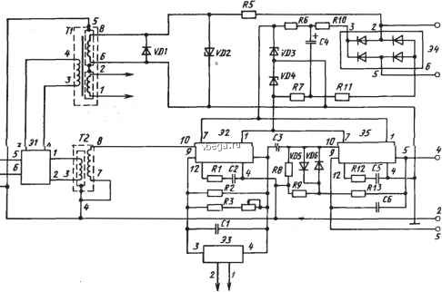
Принципиальная схема оконечного усилителя (УО) приведена на рис. 43. Оконечный усилитель включает в себя предоконечный усилитель и усилитель мощности. Предоконечный усилитель вьшолнен на транзисторах VT1 - VT3. Первый его каскад-усилитель собран на транзисторе VT1, включенном по схеме с общим эмиттером; второй каскад-повторитель вьшолнен на транзисторах различной проводимости и отличается от первого малым потреблением тока в режиме отсутствия сиг-напа. Усилитель мощности выполнен на транзисторах VT4, VT5 по схеме последовательного питания. Элементы цепи смещения R7, R10, VD8 -VD11 обеспечивают работу каскада в режиме АВ и его температурную стабильность. Конденсаторы (переходной С1 и С7, С8) служат для предотвращения паразитной высокочастотной генерации.

Согласование предоконечного усилителя с усилителем мощности, а также инвертирование фазы для двухтактной схемы усилителя мощности осуществляется с помощью переходного трансформатора Т. Отрицательная обратная связь, осуществляемая через резистор R4, помимо стабилизации коэффициента передачи оконечного усилителя уменьшает выходное сопротивление усилителя. Это способствует улучшению механических характеристик электродвигателя и снижению добротности замкнутой следящей системы, следствием чего является увеличение ее устойчивости.

Питание предоконечного усилителя осуществляется от выпрямителя, собранного по схеме удвоения со стабилизацией выходного напряжения. Элементы удвоения - С4, С6, VD6, VD7. Элементы стабилизации - R6,



1 2 3 4 5 6 7 8 9 10 11 12 13 14 15 16 17 18 19 20 21 22 23 [ 24 ] 25 26 27 28 29 30 31 32 33 34 35 36 37 38 39 40 41 42 43 44 45 46 47 48 49 50 51 52 53 54 55 56 57 58 59 60 61 62 63 64 65 66 67